Produkty
Kvalita prvního zákazníka Především inovace
J&W - Produkty
Adaptér pro rozpěrky BMW
  • Adaptér pro rozpěrky BMWAdaptér pro rozpěrky BMW
  • Adaptér pro rozpěrky BMWAdaptér pro rozpěrky BMW

Adaptér pro rozpěrky BMW

J&W Auto Part se může pochlubit více než desetiletými profesionálními výrobními zkušenostmi, které se věnují poskytování vysoce kvalitních adaptérů BMW rozpěrek kol zákazníkům po celém světě. Vlastníme tři 800tunové kovací stroje a 40 obráběcích center, které podporují hluboké přizpůsobení ODM pro splnění různých potřeb od úprav na ulici až po vysoce výkonné závody.

BMW Wheel Spacers Adapter je vysoce nákladově efektivní řešení pro zlepšení rozchodu a vzhledu vozidla. Společnost J&W Auto Part, speciálně navržená pro modely BMW, vyvinula přesná těsnění kompatibilní s různými kódy podvozku.
Na základě požadavků na tloušťku jsou naše produkty rozděleny do dvou základních struktur:
Typ prodloužených šroubů: Vhodné pro tloušťky menší než 20 mm.
Typ vložných matic: Vhodné pro tloušťky přesahující 20 mm, s použitím vysoce pevné 18 mm vysoké matice pro zajištění bezpečnosti instalace.

Technické specifikace

Funkce Detailní specifikace
Název produktu Adaptér pro rozpěrky BMW
Značka Autodíl J&W
Výrobní proces Kování 800 tun + přesné CNC obrábění
Možnosti materiálu Hliníková slitina 6061-T6 / 7075-T6
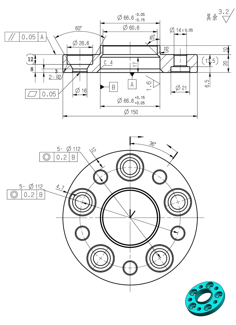
PCD (průměr roztečné kružnice) 5x120mm / 5x112mm
Středový vývrt (CB) 72,56 mm / 74,1 mm / 66,6 mm
Rozteč závitů M12x1,5 / M14x1,5 / M14x1,25
Povrchová úprava Tvrdé eloxování / automatické galvanické pokovování
Standardní tloušťka 10 mm, 12 mm, 15 mm, 20 mm, 25 mm, 30 mm (přizpůsobitelné)

Proč si vybrat podložky pod kola J&W Auto Part?

1. Výrobní proces nejvyšší úrovně
Místo běžného odlévání používáme technologii kování 800 tun. Tento vysokotlaký proces tváření zajišťuje hustotu vnitřní struktury adaptéru BMW Wheel Spacers, výrazně zlepšuje odolnost proti únavě a účinně zabraňuje praskání za extrémních jízdních podmínek.

2. Přísná kontrola přesnosti
Prostřednictvím 40 pokročilých CNC obráběcích center kontrolujeme chyby na úrovni mikronů. To zajišťuje dokonalé uchycení mezi těsněním a středovým otvorem nápravy BMW, což eliminuje problémy s vibracemi při jízdě vysokou rychlostí.

3. Různé služby přizpůsobení (ODM/OEM)
Výroba na základě výkresu: Můžeme přesně vyrobit podle vašich poskytnutých výkresů.

Přepínání materiálů: Nabízíme cenově výhodný materiál 6061 a vysoce výkonný materiál 7075.
Plná podpora dodavatelského řetězce: Máme vlastní automatizovanou linku pro galvanické pokovování, abychom zajistili, že odolnost šroubů a těsnění proti korozi splňuje průmyslové standardy.
Výrobní schopnosti a výhody značky
Továrna J&W Auto Parts se nachází v Ningbo v provincii Zhejiang, rozkládá se na ploše více než 10 akrů a zaměstnává více než 100 zkušených techniků.
Pokročilé vybavení: Vybaveno 12 velkými lisy za studena, 2 velkými razicími lisy a komplexním systémem řízení 5S.
Bohatá produktová řada: Kromě adaptérů pro rozpěrky kol BMW vyrábíme také odpovídající vysoce pevné šrouby a matice kol.
Efektivní dodávka: Optimalizované výrobní procesy výrazně zlepšují efektivitu práce a zajišťují včasné dodání objednávek.

Často kladené otázky (FAQ)

Q1: Jak zjistím, jakou specifikaci závitu si mám vybrat pro své BMW?
Specifikace závitů BMW se liší v závislosti na modelovém roce. Obecně platí, že starší modely (například šasi E) používají M12x1,5, zatímco novější modely (například šasi F a G) používají M14x1,25. Před zakoupením adaptéru pro rozpěrky kol BMW se ujistěte, že jste potvrdili původní parametry šroubů vozidla.

Q2: Proč se nedoporučuje používat typ s vloženou maticí pro šrouby pod 20 mm?
Protože výška zapuštěné matice s vysokou pevností je přibližně 18 mm. Pokud je tloušťka podložky pouze 10 mm nebo 15 mm, tělo podložky nemůže zcela zakrýt matici, což způsobí konstrukční interferenci. Proto je nutné používat tenké podložky s prodlouženými šrouby.

Q3: Jaký je rozdíl mezi kovanými a litými podložkami?
Proces kování mění pod vysokým tlakem krystalickou strukturu kovu, čímž je pevnější. U nosných součástí, jako je adaptér BMW Wheel Spacers, mají kované výrobky lepší odolnost proti nárazu a bezpečnost.

Hot Tags:
Související kategorie
Odeslat dotaz
Kontaktní informace
  • Adresa

    No.539 Guangyi Road, město Guanhaiwei, Cixi, Ningbo, Zhejiang, Čína

  • Tel

Pokud jde o dotazy ohledně adaptérů rozpěrkových kol, maticích kol, šrouby kol nebo ceníku, nechte nám prosím svůj e -mail a my budeme v kontaktu do 24 hodin.
X
Používáme cookies, abychom vám nabídli lepší zážitek z prohlížení, analyzovali návštěvnost webu a přizpůsobili obsah. Používáním tohoto webu souhlasíte s naším používáním souborů cookie. Zásady ochrany osobních údajů
Odmítnout Přijmout